|
|
|
產品展示
| 烤煙風機系列 |
|
|
|
|
產品介紹:
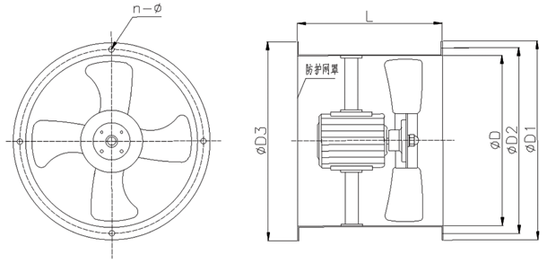
應用:烤煙風機是我公司根據國家目前推廣的密集烤房項目而開發的烤煙排濕專用軸流風機,主要功能是推動裝煙室內空氣運動及內外空氣交換,保持適宜溫濕度,能有效提高烘烤質量,極大降低烘烤難度、減輕勞動強度和烘烤復雜性。
特點:
1、風機符合GB/T3235-1999、GB755-87*、GB756-90*、GB/T1993-93要求;
2、電機符合GB4826-84*、GB12665-90*、GB1032-85*、GB9651-88*、GB/T2658-1995、GB/T7345-1994、GB/T18211-2000要求,耐高溫高濕,滴點溫度180℃(國家標準),電機耐壓±20%;
3、風機表面經烘烤噴塑,具有較好的防腐性能;
4、風機電機采用IP55防水高溫電機,額定使用壽命設計為3萬小時,具有防水耐溫性能好,使用壽命長等優點;
5、風葉與支架按國家標準不采用鉚接結構,采用焊接結構,并經動平衡校正,確保風機能長期可靠運行;
6、電機端為進風端,葉輪端為出風端;
7、風機分單速與雙速兩種,常規是雙速;
8、風筒采用一次旋壓成形,外表美觀,安裝方便;
9、每臺風機帶5米長電纜,方便用戶接線使用。
|
 |
 |
| 型號 |
風量
(m3/h) |
風壓
(pa) |
功率
(Kw) |
轉速
(r/min) |
電壓
(V) |
備注 |
| KY-2.5-2 |
2500 |
190 |
0.25 |
2900 |
380 |
|
| KY-2.5-4 |
1000 |
50 |
0.12 |
1450 |
380 |
|
| KY-3-2 |
4000 |
230 |
0.37 |
2900 |
380 |
|
| KY-3-4 |
2200 |
70 |
0.18 |
1450 |
380 |
|
| KY-4-2 |
7500 |
350 |
1.1 |
2900 |
380 |
|
| KY-4-4 |
5500 |
140 |
0.55 |
1450 |
380 |
|
| KY-5-4 |
10000 |
170 |
0.75 |
1450 |
380 |
|
| KY-6-4 |
14200 |
210 |
1.5 |
1450 |
380 |
|
| KY-6-4 |
17000 |
280 |
2.2 |
1450 |
380 |
|
| KY-6-6 |
12000 |
140 |
1.1 |
960 |
380 |
|
| KY-6-4/6 |
17000/12000 |
280/140 |
1.8/1.3 |
1450/960 |
380 |
常規 |
| KY-6.3-4 |
18000 |
240 |
1.5 |
1450 |
380 |
|
| KY-6.3-6 |
13000 |
100 |
0.75 |
960 |
380 |
|
| KY-6.3-4/6 |
17000/13000 |
240/100 |
1.8/1.3 |
1450/960 |
380 |
常規 |
| KY-7-4 |
22800 |
305 |
3 |
1450 |
380 |
|
| KY-7-6 |
15600 |
135 |
1.1 |
960 |
380 |
|
| KY-7-4/6 |
22800/15600 |
305/135 |
2.8/2.2 |
1450/960 |
380 |
常規 |
| KY-8-4 |
30500 |
350 |
3 |
1450 |
380 |
|
| KY-8-6 |
22000 |
160 |
1.5 |
960 |
380 |
|
| KY-8-4/6 |
30500/22000 |
350/160 |
2.8/2.2 |
1450/960 |
380 |
常規 |
| KY-9-6 |
35000 |
250 |
4 |
960 |
380 |
|
| KY-9-8 |
24000 |
160 |
2.2 |
720 |
380 |
|
| KY-9-6/8 |
35000/24000 |
250/160 |
4/3.3 |
960/720 |
380 |
|
|
|
|